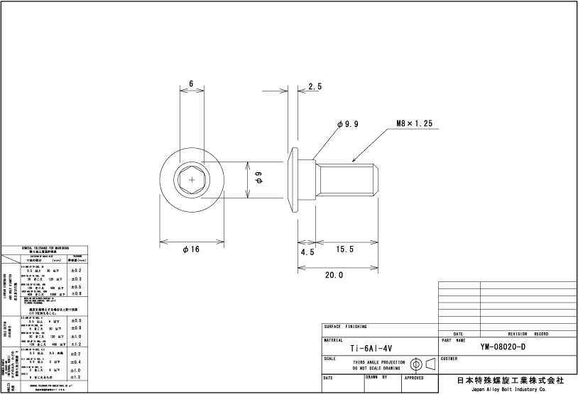
ヤマハ用ディスクローターボルトM8×20L
[YM-08020-D]
カテゴリ
オプションにより価格が変わる場合もあります。
ホイールとディスクローターを繋ぐ為のボルトです。
ベータチタニウムでは国内4メーカー、DUCATI、Buell、Triumph等様々なオートバイのローターボルトをTi-6Al-4Vで製造してきました。その中で解った事で驚いたのがメーカーのほとんどが形や素材を変えていないと言う事です。
大体10年以上前のオートバイと最新式のオートバイが同じボルトを使っています。
(多少材質や表面処理は変えているのもありますが)
ここ十年でオートバイはどのように進化しているでしょうか?
最高速度は上昇し、軽量化にも力が入り、ブレーキも大型化しています。
最近のスーパースポーツ系は純正からラジアルマウントのキャリパーを装着し、
ストッピングパワーの向上は凄まじいと感じます。
しかし、ことボルトとなると昔から鉄のまま
ストッピングパワーを向上するためにブレーキを大径化しキャリパーも剛性アップさせているのに
それを止めているボルトの剛性はそのままではたしてその変更箇所の性能はキッチリと現れるのでしょうか?
ベータチタニウムのTi-6Al-4V鍛造材の引っ張り強度はクロモリに並びます。
この素材を使ったローターボルトはノーマルの材質(SS400、S45C等)から交換するとノーマルのボルトがどれだけ
【逃げていた】かを実感していただけるでしょう。しかもバネ下加重の低減にも大きく貢献します。
ローターボルトは回転物なのでジャイロ効果も変わるので数値以上の効果も感じていただけるでしょう。
軽さと強さの両立、通常相反する特性を実現できるのはベータチタニウムのTi-6Al-4V鍛造の技術です。
こちらの製品はTIHC-08025と同寸法品になります。
※価格は製品1本の価格です。
※陽極酸化は受注後の追加工となるため、キャンセル、返品、交換はご遠慮ください。また、ご購入の前に、「製品について」ページ内の「陽極酸化処理について」をご参照ください。
☆この製品はヤマハ車の代表的な車両に適合しておりますが、まれにサイズが合わない車種もございます。お手数ですがご購入の際は上記の図面にてサイズや形状をご確認くださいますようお願いいたします。

